| I occasionally hear from unfortunates who are experiencing weird behavior when trying to put collets in their M heads. I believe the problem is usually an oddball drawbar put in by a previous owner. | |
|
Here are reference dimensions for a correct drawbar. My Bridgeport was made in early 1951. So far as I know it did not have a very adventurous life. It was owned since new by a jewelry manufacturer here in boring old New England. I would be surprised if the drawbar had ever been removed, much less replaced. So my hypothesis is that my drawbar is original.
The stock drawbar is shown in the exploded parts drawing. Here is page 40 of the M105 H manual. |
|
| And the relevant parts list. |
|
| Note that the spindle (55) is not the same for all M heads. There were three different M head spindles, cut respectively for 2 Morse, 7 Brown & Sharpe, and B-3 collets. However, there are only two different M head drawbars. The drawbars for Morse and Brown & Sharpe collets are identical. The drawbar for B-3 collets is different. |
|
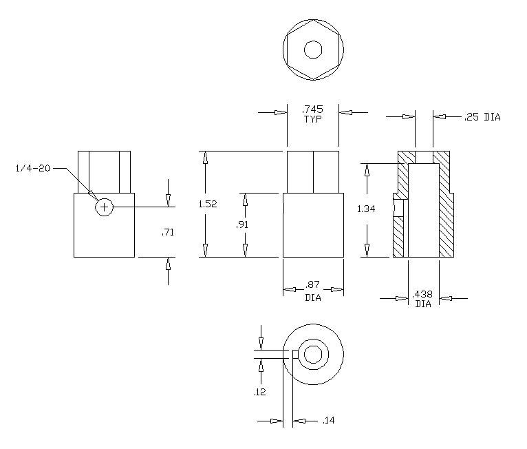
| Here is a dimensioned sketch of my drawbar. Note that it doesn't look exactly like the drawbar in the exploded view. The 0.73 inch diameter collar at the upper end of mine was fabricated as an integral part of the bar. That means that most of the bar had to be turned down from 3/4 inch stock to 7/16 inch over most of its length - not, perhaps, the most economical way to make a drawbar. The one shown in the exploded view looks like it was maybe made in two pieces, with a separate collar later fastened on. I expect that either type should be interchangeable with the other. The exploded view also shows a mysterious keyway and key, which my drawbar doesn't have, and doesn't seem to need. |
|
| The drawbar assembly. |
|
| Bridgeport called the piece on top the drawbar knob (part 50 in the exploded view). It is a tight sliding fit on the top end of the drawbar. It is retained by an ordinary socket-head setscrew which screws into a blind hole drilled into the upper end of the drawbar. It seems like a primitive arrangement, but it works. |
|
|
The knurled item is the drawbar nut (part 54 in the exploded view). It retains the drawbar in the spindle. To remove it from the spindle, use a 1 inch wrench (the same wrench you use to loosen collets) on the nut, and turn it to the right - it has a left-hand thread.
The cryptic text ON → is Bridgeport's way of warning you about the thread. |
|
| Top end of the spindle, in normal configuration. |
|
| Top end of the spindle, with drawbar assembly removed. Note those left-hand threads. |
|
| Back to The Engine Room | |